CMX683E4
این محصول موجود نیست!
درصورت تمایل برای اطلاع از زمان موجودی میتوانید با مدیر سایت تماس بگیرید.
کد محصول: 28721
- نام کارخانهای: CMX683E4
- برند: CML Microsystems
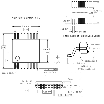
- پکیج: TSSOP-16
- بستهبندی: Tape & Reel
- عنوان گروه: Telecom Interface ICs
- دیتاشیت: download
محصولات مشابه
سبد خرید(0 مورد)
سبد خریدتان خالی است
