AD5206BR50
این محصول موجود نیست!
درصورت تمایل برای اطلاع از زمان موجودی میتوانید با مدیر سایت تماس بگیرید.
کد محصول: 28429
- نام کارخانهای: AD5206BR50
- برند: Analog Devices
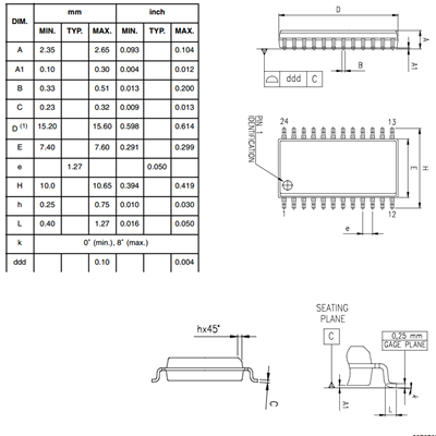
- پکیج: SO-24
- بستهبندی: Tape & Reel
- عنوان گروه: Digital Potentiometer ICs
- دیتاشیت: download
محصولات مشابه
سبد خرید(0 مورد)
سبد خریدتان خالی است
