TPA3106D1VFP
این محصول موجود نیست!
درصورت تمایل برای اطلاع از زمان موجودی میتوانید با مدیر سایت تماس بگیرید.
کد محصول: 28129
- نام کارخانهای: TPA3106D1VFP
- برند: Texas Instruments
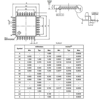
- پکیج: LQFP-32
- بستهبندی: Tray
- عنوان گروه: Audio Amplifiers
- دیتاشیت: download
محصولات مشابه
سبد خرید(0 مورد)
سبد خریدتان خالی است
