TLV3501AIDBVR
این محصول موجود نیست!
درصورت تمایل برای اطلاع از زمان موجودی میتوانید با مدیر سایت تماس بگیرید.
کد محصول: 27868
- نام کارخانهای: TLV3501AIDBVR
- برند: Texas Instruments
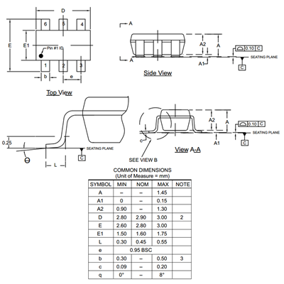
- پکیج: SOT-23-6 (SC-74)
- بستهبندی: Tape & Reel
- حداقل: 3عدد
- عنوان گروه: Analog Comparators
- دیتاشیت: download
محصولات مشابه
سبد خرید(0 مورد)
سبد خریدتان خالی است
