L3GD20H
این محصول موجود نیست!
درصورت تمایل برای اطلاع از زمان موجودی میتوانید با مدیر سایت تماس بگیرید.
کد محصول: 27589
- نام کارخانهای: L3GD20H
- برند: STMicroelectronics
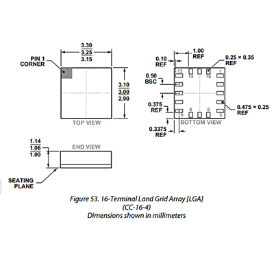
- پکیج: LGA-16
- بستهبندی: Tape & Reel
- حداقل: 2عدد
- عنوان گروه: Gyroscopes
- دیتاشیت: download
محصولات مشابه
سبد خرید(0 مورد)
سبد خریدتان خالی است
