LE79489DJC
این محصول موجود نیست!
درصورت تمایل برای اطلاع از زمان موجودی میتوانید با مدیر سایت تماس بگیرید.
کد محصول: 2703
- نام کارخانهای: LE79489DJC
- برند: Zarlink Semiconductor
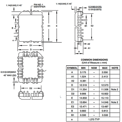
- پکیج: PLCC-32
- نوع قطعه: بازسازی شده
- بستهبندی: Tube
- عنوان گروه: Telecom Interface ICs
- دیتاشیت: download
محصولات مشابه
سبد خرید(0 مورد)
سبد خریدتان خالی است
