MAX297EPA
این محصول موجود نیست!
درصورت تمایل برای اطلاع از زمان موجودی میتوانید با مدیر سایت تماس بگیرید.
کد محصول: 26584
- نام کارخانهای: MAX297EPA
- برند: Maxim Integrated
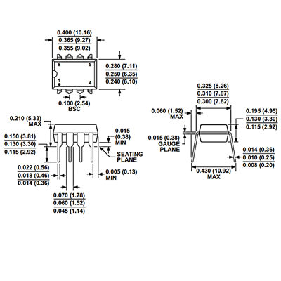
- پکیج: DIP-8
- بستهبندی: Tube-50 عدد
- عنوان گروه: Active Filters
- دیتاشیت: download
محصولات مشابه
سبد خرید(0 مورد)
سبد خریدتان خالی است
