BQ24100
این محصول موجود نیست!
درصورت تمایل برای اطلاع از زمان موجودی میتوانید با مدیر سایت تماس بگیرید.
کد محصول: 26548
- نام کارخانهای: BQ24100
- برند: Texas Instruments
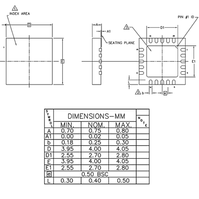
- پکیج: QFN-20
- بستهبندی: Tape & Reel
- عنوان گروه: Battery Management
- دیتاشیت: download
محصولات مشابه
سبد خرید(0 مورد)
سبد خریدتان خالی است
