RT9284B-15
این محصول موجود نیست!
درصورت تمایل برای اطلاع از زمان موجودی میتوانید با مدیر سایت تماس بگیرید.
کد محصول: 2543
- نام کارخانهای: RT9284B-15
- برند: Richtek Technology Co
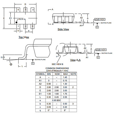
- پکیج: SOT-23-6 (SC-74)
- بستهبندی: Tape & Reel
- عنوان گروه: LED Lighting Drivers
- دیتاشیت: download
محصولات مشابه
سبد خرید(0 مورد)
سبد خریدتان خالی است
