VIPER53SP
این محصول موجود نیست!
درصورت تمایل برای اطلاع از زمان موجودی میتوانید با مدیر سایت تماس بگیرید.
کد محصول: 25181
- نام کارخانهای: VIPER53SP
- برند: STMicroelectronics
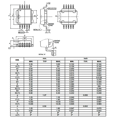
- پکیج: PowerSO-10
- بستهبندی: Tape & Reel
- عنوان گروه: AC/DC Converters
- دیتاشیت: download
محصولات مشابه
سبد خرید(0 مورد)
سبد خریدتان خالی است
