INA114AP
این محصول موجود نیست!
درصورت تمایل برای اطلاع از زمان موجودی میتوانید با مدیر سایت تماس بگیرید.
کد محصول: 24650
- نام کارخانهای: INA114AP
- برند: Burr-Brown Corporation
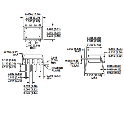
- پکیج: DIP-8
- نوع قطعه: بازسازی شده
- بستهبندی: Tube-50 عدد
- عنوان گروه: Instrumentation Amplifiers
- دیتاشیت: download
محصولات مشابه
سبد خرید(0 مورد)
سبد خریدتان خالی است
