USB3300-EZK
این محصول موجود نیست!
درصورت تمایل برای اطلاع از زمان موجودی میتوانید با مدیر سایت تماس بگیرید.
کد محصول: 2449
- نام کارخانهای: USB3300-EZK
- برند: Microchip Technology
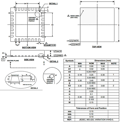
- پکیج: QFN-32
- بستهبندی: Tape & Reel
- حداقل: 5عدد
- عنوان گروه: USB Interface IC
- دیتاشیت: download
محصولات مشابه
سبد خرید(0 مورد)
سبد خریدتان خالی است
