FIS1100
این محصول موجود نیست!
درصورت تمایل برای اطلاع از زمان موجودی میتوانید با مدیر سایت تماس بگیرید.
کد محصول: 24263
- نام کارخانهای: FIS1100
- برند: Fairchild Semiconductor
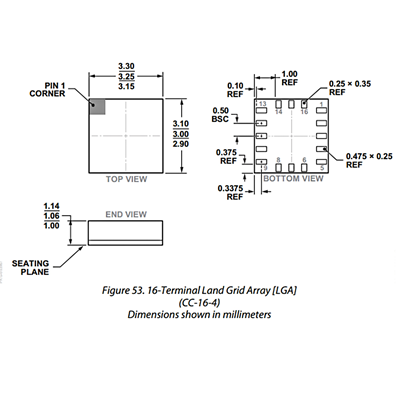
- پکیج: LGA-16
- بستهبندی: Tape & Reel
- عنوان گروه: IMUs-Inertial Measurement Units
- دیتاشیت: download
محصولات مشابه
سبد خرید(0 مورد)
سبد خریدتان خالی است
