TNY253PN
این محصول موجود نیست!
درصورت تمایل برای اطلاع از زمان موجودی میتوانید با مدیر سایت تماس بگیرید.
کد محصول: 22905
- نام کارخانهای: TNY253PN
- برند: Power Integrations
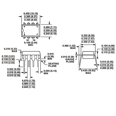
- پکیج: DIP-8
- بستهبندی: Tube-50 عدد
- عنوان گروه: AC/DC Converters
- دیتاشیت: download
محصولات مشابه
سبد خرید(0 مورد)
سبد خریدتان خالی است
