FT8870CD-DRB
این محصول موجود نیست!
درصورت تمایل برای اطلاع از زمان موجودی میتوانید با مدیر سایت تماس بگیرید.
کد محصول: 22488
- نام کارخانهای: FT8870CD-DRB
- برند: Fremont Micro Devices
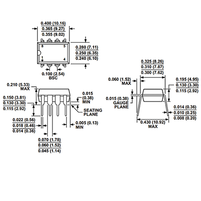
- پکیج: DIP-8
- بستهبندی: Tube-50 عدد
- عنوان گروه: LED Lighting Drivers
- دیتاشیت: download
محصولات مشابه
سبد خرید(0 مورد)
سبد خریدتان خالی است
