GL850A-MNN
این محصول موجود نیست!
درصورت تمایل برای اطلاع از زمان موجودی میتوانید با مدیر سایت تماس بگیرید.
کد محصول: 22134
- نام کارخانهای: GL850A-MNN
- برند: Genesys Logic, Inc
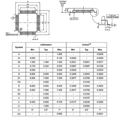
- پکیج: LQFP-48
- بستهبندی: Tray
- عنوان گروه: USB Interface IC
- دیتاشیت: download
محصولات مشابه
سبد خرید(0 مورد)
سبد خریدتان خالی است
