TT6061B
این محصول موجود نیست!
درصورت تمایل برای اطلاع از زمان موجودی میتوانید با مدیر سایت تماس بگیرید.
کد محصول: 21945
- نام کارخانهای: TT6061B
- برند: Tontek Design Technology
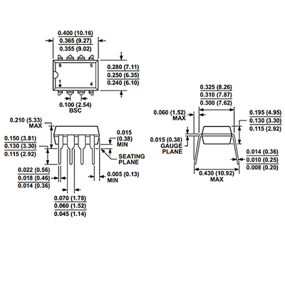
- پکیج: DIP-8
- بستهبندی: Tube-50 عدد
- عنوان گروه: Capacitive Touch Sensors
- دیتاشیت: download
محصولات مشابه
سبد خرید(0 مورد)
سبد خریدتان خالی است
