LTC6990IS6
این محصول موجود نیست!
درصورت تمایل برای اطلاع از زمان موجودی میتوانید با مدیر سایت تماس بگیرید.
کد محصول: 21802
- نام کارخانهای: LTC6990IS6
- برند: Linear Technology
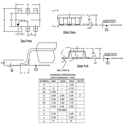
- پکیج: SOT-23-6 (SC-74)
- بستهبندی: Tape & Reel
- عنوان گروه: VCO Oscillators
- دیتاشیت: download
محصولات مشابه
سبد خرید(0 مورد)
سبد خریدتان خالی است
