L3G4200D
این محصول موجود نیست!
درصورت تمایل برای اطلاع از زمان موجودی میتوانید با مدیر سایت تماس بگیرید.
کد محصول: 20211
- نام کارخانهای: L3G4200D
- برند: STMicroelectronics
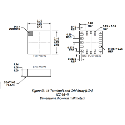
- پکیج: LGA-16
- بستهبندی: Tape & Reel
- عنوان گروه: Gyroscopes
- دیتاشیت: download
محصولات مشابه
سبد خرید(0 مورد)
سبد خریدتان خالی است
