X9258US24
این محصول موجود نیست!
درصورت تمایل برای اطلاع از زمان موجودی میتوانید با مدیر سایت تماس بگیرید.
کد محصول: 20060
- نام کارخانهای: X9258US24
- برند: Xicor, Inc
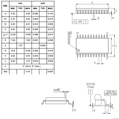
- پکیج: SO-24
- بستهبندی: Tape & Reel
- عنوان گروه: Digital Potentiometer ICs
- دیتاشیت: download
محصولات مشابه
سبد خرید(0 مورد)
سبد خریدتان خالی است
