TPS2113PW
این محصول موجود نیست!
درصورت تمایل برای اطلاع از زمان موجودی میتوانید با مدیر سایت تماس بگیرید.
کد محصول: 20013
- نام کارخانهای: TPS2113PW
- برند: Texas Instruments
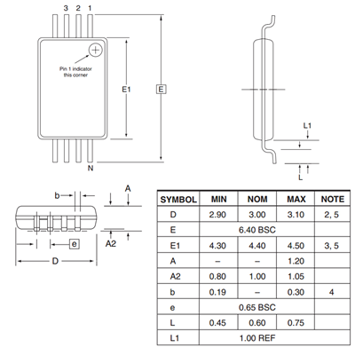
- پکیج: TSSOP-8
- بستهبندی: Tape & Reel
- عنوان گروه: Power Switch ICs-Power Distribution
- دیتاشیت: download
محصولات مشابه
سبد خرید(0 مورد)
سبد خریدتان خالی است
