73K224BL
این محصول موجود نیست!
درصورت تمایل برای اطلاع از زمان موجودی میتوانید با مدیر سایت تماس بگیرید.
کد محصول: 19633
- نام کارخانهای: 73K224BL
- برند: TDK Corporation (EPCOS)
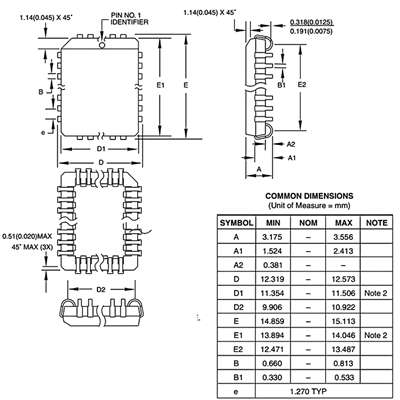
- پکیج: PLCC-32
- نوع قطعه: بازسازی شده
- بستهبندی: Tube
- عنوان گروه: Network Controller & Processor ICs
- دیتاشیت: download
محصولات مشابه
سبد خرید(0 مورد)
سبد خریدتان خالی است
