LM392J
این محصول موجود نیست!
درصورت تمایل برای اطلاع از زمان موجودی میتوانید با مدیر سایت تماس بگیرید.
کد محصول: 18740
- نام کارخانهای: LM392J
- برند: National Semiconductor
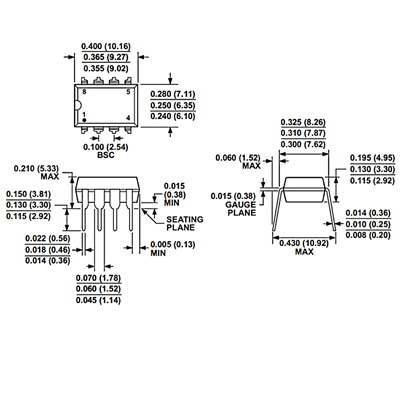
- پکیج: DIP-8
- نوع قطعه: بازسازی شده
- بستهبندی: Tube-50 عدد
- عنوان گروه: Analog Comparators
- دیتاشیت: download
محصولات مشابه
سبد خرید(0 مورد)
سبد خریدتان خالی است
