SN74LVC1T45DBVR
این محصول موجود نیست!
درصورت تمایل برای اطلاع از زمان موجودی میتوانید با مدیر سایت تماس بگیرید.
کد محصول: 18402
- نام کارخانهای: SN74LVC1T45DBVR
- برند: Texas Instruments
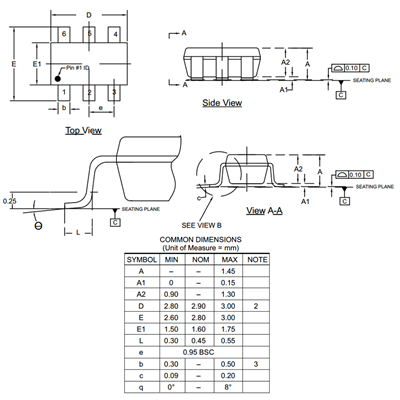
- پکیج: SOT-23-6 (SC-74)
- بستهبندی: Tape & Reel
- حداقل: 15عدد
- عنوان گروه: Translation-Voltage Levels
- دیتاشیت: download
محصولات مشابه
سبد خرید(0 مورد)
سبد خریدتان خالی است
