MC1403P1
این محصول موجود نیست!
درصورت تمایل برای اطلاع از زمان موجودی میتوانید با مدیر سایت تماس بگیرید.
کد محصول: 16538
- نام کارخانهای: MC1403P1
- برند: ON Semiconductor
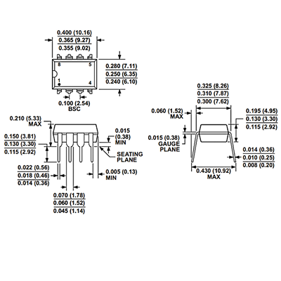
- پکیج: DIP-8
- بستهبندی: Tube-50 عدد
- عنوان گروه: Voltage References
- دیتاشیت: download
محصولات مشابه
سبد خرید(0 مورد)
سبد خریدتان خالی است
