IR2132J
این محصول موجود نیست!
درصورت تمایل برای اطلاع از زمان موجودی میتوانید با مدیر سایت تماس بگیرید.
کد محصول: 16378
- نام کارخانهای: IR2132J
- برند: International Rectifier
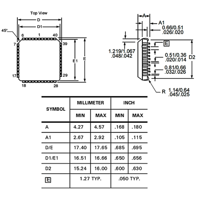
- پکیج: PLCC-44
- بستهبندی: Tube
- عنوان گروه: Gate Drivers
- دیتاشیت: download
محصولات مشابه
سبد خرید(0 مورد)
سبد خریدتان خالی است
