BTS452T
این محصول موجود نیست!
درصورت تمایل برای اطلاع از زمان موجودی میتوانید با مدیر سایت تماس بگیرید.
کد محصول: 14454
- نام کارخانهای: BTS452T
- برند: Siemens Semiconductor Group
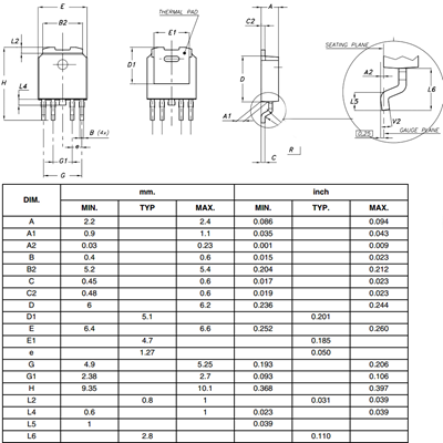
- پکیج: TO-252-5 (PPAK)
- بستهبندی: Tape & Reel
- عنوان گروه: Power Switch ICs-Power Distribution
- دیتاشیت: download
محصولات مشابه
سبد خرید(0 مورد)
سبد خریدتان خالی است
