PAW3515DB-VJZA
این محصول موجود نیست!
درصورت تمایل برای اطلاع از زمان موجودی میتوانید با مدیر سایت تماس بگیرید.
کد محصول: 13000
- نام کارخانهای: PAW3515DB-VJZA
- برند: PixArt Imaging Inc
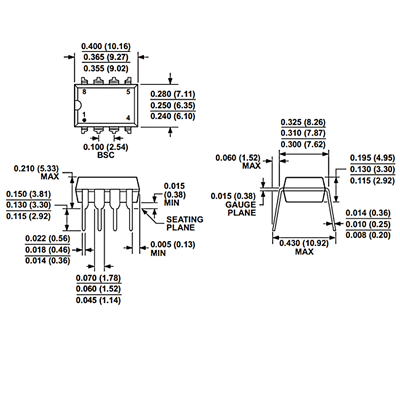
- پکیج: DIP-8
- بستهبندی: Tube-50 عدد
- عنوان گروه: Optical Navigation Sensors
- دیتاشیت: download
محصولات مشابه
سبد خرید(0 مورد)
سبد خریدتان خالی است
