HCPL4504-000E
این محصول موجود نیست!
درصورت تمایل برای اطلاع از زمان موجودی میتوانید با مدیر سایت تماس بگیرید.
کد محصول: 12356
- نام کارخانهای: HCPL-4504-000E
- برند: Avago Technologies
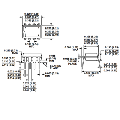
- پکیج: DIP-8
- بستهبندی: Tube-50 عدد
- عنوان گروه: High Speed Optocouplers
- دیتاشیت: download
محصولات مشابه
سبد خرید(0 مورد)
سبد خریدتان خالی است
