T1G3000532-SM
این محصول موجود نیست!
درصورت تمایل برای اطلاع از زمان موجودی میتوانید با مدیر سایت تماس بگیرید.
کد محصول: 1229
- نام کارخانهای: T1G3000532-SM
- برند: TriQuint Semiconductor
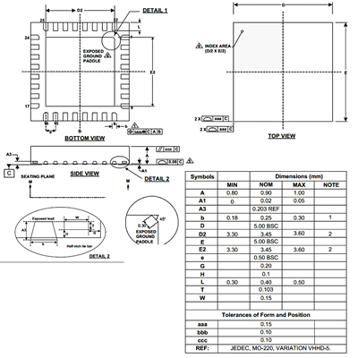
- پکیج: QFN-32
- بستهبندی: Tape & Reel
- عنوان گروه: RF JFET Transistors
- دیتاشیت: download
محصولات مشابه
سبد خرید(0 مورد)
سبد خریدتان خالی است
