MSP430F1612IPM
این محصول موجود نیست!
درصورت تمایل برای اطلاع از زمان موجودی میتوانید با مدیر سایت تماس بگیرید.
کد محصول: 10968
- نام کارخانهای: MSP430F1612IPM
- برند: Texas Instruments
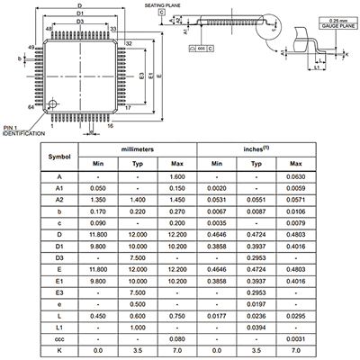
- پکیج: LQFP-64
- بستهبندی: Tray
- عنوان گروه: 16-bit Microcontrollers-MCU
- دیتاشیت: download
محصولات مشابه
سبد خرید(0 مورد)
سبد خریدتان خالی است
