SP724AHTG
این محصول موجود نیست!
درصورت تمایل برای اطلاع از زمان موجودی میتوانید با مدیر سایت تماس بگیرید.
کد محصول: 10043
- نام کارخانهای: SP724AHTG
- برند: Littelfuse Inc
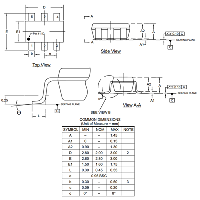
- پکیج: SOT-23-6 (SC-74)
- بستهبندی: Tape & Reel
- عنوان گروه: ESD Suppressors / TVS Diodes
- دیتاشیت: download
محصولات مشابه
سبد خرید(0 مورد)
سبد خریدتان خالی است
